App temperatur bunden lista
Material Medeltemperatur℃ Material Medeltemperatur℃
PVC-C -20℃~95℃ PVC-U -5℃~45℃
FRPP -20℃~120℃ PPH -20℃~110℃
PVDF 40℃~150℃

Produktens strukturella egenskaper

1. Lättvikt: PVC-U väger bara 1/10 av gjutjärnets vikt, vilket gör det lätt att transportera och installera, vilket minskar kostnaderna.
2. Överlägsen kemisk beständighet: PVC-U har utmärkt motståndskraft mot syror och alkalier, med undantag för starka syror och alkalier nära deras mättnadspunkt.
3. Hållbar: PVC-U erbjuder utmärkt väderbeständighet och är resistent mot korrosion av bakterier och svampar.
4. Icke-ledande: PVC-U är icke-ledande och inte mottagligt för korrosion genom elektrolys eller elektrisk ström, vilket eliminerar bör av sekundär bearbetning. Det är icke brandfarligt och stöder inte förbränning, vilket eliminerar brandsäkerhetsproblem.
5. Lågt motstånd och hög flödeshastighet: Den släta innerväggen minimerar vätskeflödesförlusten och det är mindre sannolikt att smuts fäster på den släta rörytan, vilket gör underhållet enkelt och kostnadseffektivt.
6. Enkel installation och låg kostnad: Kapning och sammanfogning är enkla. PVC-lim har visat sig vara säkert, lättillgängligt, lätt att använda och kostnadseffektivt.

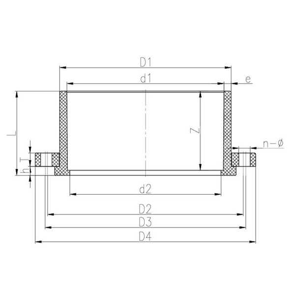
PVC-U Vanstone flänsar

DN D1 D2 D3 D4 d1 d2 L T h Z n-Φ
15 27 59 70 95 20 18 22 16 1.5 16 4-Φ15X20,5
20 32 70 75 105 25 23 25 18 1.5 19 4-15X17,5
25 40 79 90 125 32 29 28 18 1.5 22 4-Φ15X20,5
32 50 89 100 140 40 36 31.5 20 1.5 26 4-Φ18X24,5
4 61 98 110 150 50 4 37 20 2 31 4-Φ18X24
50 75 120 125 165 63 58 44 25 2 38 4-Φ18X20,5
65 88 140 145 185 75 69 50 25 2 44 4-Φ18X20,5
80 105 150 160 200 90 84 57 26 2.5 51 8-Φ18X23
100 127 175 190.5 229 110 105 67 26 2.5 61 8-Φ18X26
125 161 210 250 140 130 84 28 12.5 77 8-Φ19
150 182 240 285 160 150 93 31 12.5 85 8-Φ23
200 249 295 339 225 215 127 36 16 119 8-Φ23X25
200 254 295.8 341 225 215 127 33.1 16 119 12-Φ22
250 308 350 395 280 267 154 40.5 16.5 144 12-Φ23
300 346 400 445 315 305 170 43 18 160 12-Φ23
350 395 460 505 355 340 176 43 16 164.5 16-Φ23
400 442 515 570 400 382 219 43 22 200 16-Φ27
450 494 565 625 450 430 220 40 27 210 20-Φ26
500 548 620 670 500 475 210 43 25 185 20-Φ27
Meddelande Feedback
Om oss
Kaixin Pipeline Technologies Co., Ltd.
Grundades 1999, Kaixin Pipeline Technologies Co., Ltd. är ett högteknologiskt företag som integrerar FoU, tillverkning, försäljning och service. Företaget innehar flera prestigefyllda certifieringar, inklusive National High-Tech Enterprise, "Little Giant" Specialized and Sophisticated SME, National Single Product Champion (Cultivation), Provincial Technology-based SME, Ningbo Specialized and Sophisticated SME, Ningbo Single Product Champion (Cultivation), Ningbo PolymerD Centre Pipe & Valve Technology, N-LevelD Centre R-Leveling Technology. Innovation Enterprise och Enterprise Data Management Capability Mognadsnivå 2.
Vi är specialiserade på att utveckla, producera och leverera icke-metalliska korrosionsbeständiga produkter för kemiska tillämpningar, inklusive plastventiler, rör, rördelar och korrosionsbeständiga pumpar. Vår produktportfölj spänner över material som PVC-C, PVC-U, PVDF, PPH och FRPP, med ett omfattande utbud av typer och specifikationer. Speciellt kan våra fjärilsventiler nå DN1000 i diameter, medan rör och kopplingar sträcker sig upp till DN800, vilket åtgärdar marknadsklyftor och bibehåller vår konkurrensfördel i branschen.
Med ledning av principen om "Teknikdriven, att hålla jämna steg med tiderna" avsätter Kaixin nästan 10 miljoner RMB årligen till FoU. Vi säkerställer överlägsen produktkvalitet genom standardiserad automatiserad tillverkning och strikt inköp av importerade råvaror. I linje med vår internationella utvecklingsstrategi övervakar vi kontinuerligt globala marknadstrender och utnyttjar digitala kanaler för att erbjuda högkvalitativa "Made in China"-produkter till kunder över hela världen.
Ningbo • Fenghua FoU och produktionsbas
Med en total investering på 200 miljoner RMB har Kaixin Ultra-Pure Pipe Technology (Ningbo) Co., Ltd. etablerat ett nytt materiallaboratorium i samarbete med universitet och forskningsinstitut, byggt en modern tillverkningsbas och installerat 8 helautomatiska produktionslinjer för modifierade plaster och 8 för polymermaterial. Anläggningen är dedikerad till FoU, produktion och tillämpning av nya modifierade plaster och polymermaterial. Kaixin är också engagerad i att attrahera topptalanger över discipliner, kontinuerligt driva produktinnovation och varumärkesutveckling, med målet att bli en globalt erkänd ledare inom forskning och utveckling och tillverkning av polymerventiler, rör och kopplingar.
Hedersbevis
  • honor
  • honor
  • honor
  • honor
  • honor
  • honor
  • honor
  • honor
  • honor
Nyheter